M16 (винтовка)
5,56-мм автомат M16 (официальное обозначение — Rifle, Caliber 5.56 mm, M16) — американская автоматическая винтовка калибра 5,56 мм, разработанная и принятая на вооружение в 1960-х годах.
| M16 | |
|---|---|
![]() Сверху вниз: M16A1, M16A2, M4А1, M16A4 | |
| Тип | Автомат |
| Страна |
|
| История службы | |
| Годы эксплуатации | 1964 год — настоящее время[1] |
| Принят на вооружение | 1962 |
| На вооружении | см. Страны-эксплуатанты |
| Войны и конфликты | |
| История производства | |
| Конструктор | Стоунер, Юджин[2][3] |
| Разработан | 1956 год[4] |
| Производитель | Colt’s Manufacturing Company |
| Годы производства | 1964 год — настоящее время[1] |
| Всего выпущено | 8 000 000[5] |
| Стоимость экземпляра | $100—125 (1973-74)[6] |
| Варианты |
M16 M16A1 M16A2 M16A3 (версия M16А2 с возможностью ведения непрерывного автоматического огня) M16A4 |
| Характеристики | |
| Масса, кг | |
| Длина, мм |
990 (M16A1) 1006 (M16A2) 1000 (M16A4)[9] |
| Длина ствола, мм |
508 (M16A2/A3 без компенсатора) 533 (M16A2/A3 с компенсатором)[8] 510 (M16A4)[9] |
| Патрон |
5,56×45 мм НАТО (M193 Ball — M16 и А1; SS109 — A2, A3 и A4) .338 Spectre |
| Калибр, мм | 5,56 |
| Принципы работы | отвод пороховых газов, поворотный затвор |
| Скорострельность, выстрелов/мин |
650—750 (M16A1) 700—900 (M16A2) 700—950 (M16A4)[9] |
| Начальная скорость пули, м/с |
990 (M16A1) 930 (M16A2) 848 (M16A4)[9] |
| Прицельная дальность, м |
450 (M16A1)[3] 800 (M16A2) |
| Максимальная дальность, м |
эффективная: 600 (M16A4)[9] 800 (по площадным целям)[8] |
| Вид боепитания | коробчатый магазин на 20/30 патронов |
| Прицел | диоптрический |
M16 и её модификации до настоящего времени остаются основным образцом стрелкового оружия всех пяти видов вооружённых сил, силовых структур и полицейских подразделений США, а равно и других стран мира. Это одна из наиболее распространённых моделей стрелкового оружия в мире — было выпущено более 8 миллионов экземпляров[5].
История создания
Начало работам над малокалиберным оружием под патрон, промежуточный по мощности между полноразмерным винтовочным и пистолетным, в США было положено как один из результатов проекта ALCLAD, направленного на разработку нательной брони для Армии США. В его ходе было проанализировано более трёх миллионов отчётов о гибели и ранениях солдат на поле боя за период с Первой мировой по Корейскую войны. Исследовалось количество ранений, поражённые части тела, типология нанесённых повреждений и дистанции, на которых они были получены.
Результаты исследований оказались достаточно неожиданны для того времени. В первую очередь выяснилось, что основная масса (порядка 70 %) случаев ранения или гибели солдат в современном бою была вызвана осколочными ранениями — на лёгкое стрелковое оружие приходилось лишь 20 с небольшим процентов от общего числа боевых потерь. Причём расстояние ведения огня из него очень редко превышало 300 м, а основное количество смертельных ранений вообще было получено в пределах дистанции в 100 м. На таком расстоянии точность каждого отдельного выстрела оказывалась второстепенной, на первую роль же выходила такая характеристика, как плотность огня.
Одним из результатов данного исследования стал вывод о необходимости создания для Армии США лёгкого оружия с небольшим импульсом отдачи, ведущего автоматический огонь специальными облегчёнными патронами малого калибра, эффективный на расстоянии не более 400—500 метров, компенсируя высокой скорострельностью и большей вероятностью поражения цели при огне очередями меньшую массу отдельной пули. Соответственно, в 1957 году армейским командованием был начат конкурс по созданию лёгкой армейской винтовки (LMR — Lightweight Military Rifle) калибром порядка 5,5—5,6 мм (0,22 дюйма). Тактико-технические требования включали в себя, помимо калибра, возможность ведения одиночного и автоматического огня, 20-патронный магазин, массу с полным магазином не более 3 кг (6 фунтов) и способность пробить навылет стандартную армейскую каску с 500 м.
На конкурс был представлен целый ряд образцов, в числе которых были AR-15 под патрон 223-го калибра (5,56), представленная компанией Armalite (подразделением корпорации Fairchild Engineering & Airplane Corp.), лёгкая армейская винтовка Winchester под новый винчестерский патрон E2 центрального воспламенения 224-го калибра (5,69 × 55 мм),[10] по конструкции представляющая собой увеличенный вариант хорошо известных войскам карабинов М1/М2, и винтовка разработки Спрингфилдской оружейной фабрики, также 224-го калибра, по сути повторяющая по конструкции бывшую на тот момент основной в американской армии винтовку M14.
AR-15 была разработана конструкторами Юджином Стоунером и Джеймсом Салливаном на базе более ранней винтовки AR-10 калибра 7,62 NATO. Благодаря минимизации массы затворной группы и её выбега она имела высокую кучность боя как одиночными выстрелами, так и очередями, а использованные в её производстве авиационные технологии, такие, как высокоточное литьё из алюминиевых сплавов, позволили получить очень лёгкое и сравнительно недорогое в производстве оружие. Эргономика и дизайн данного образца также были далеко впереди оружия конкурентов.
Конструктивные решения
С точки зрения конструкции же AR-15 использовала хотя и не вполне стандартные, но достаточно давно и хорошо известные к тому времени решения, такие, как:
- запирание канала ствола по системе Джонсона поворотным затвором за хвостовик ствола, что позволило разгрузить ствольную коробку и выполнить её из лёгкого сплава;
- «прямой» газоотвод, применённый в несколько ином варианте в 1942 году на шведской винтовке Люнгмана AG42B, а до этого — на ряде французских самозарядных винтовок;
- «линейная» компоновка с пистолетной рукоятью и прямой шейкой, вмещающей возвратную пружину затворной рамы в приклад, до этого применявшаяся, в частности, немцами на винтовке FG42;
- ствольная коробка в виде двух качающихся на поперечной шпильке половин (upper/lower reciever), как у бельгийской винтовки FN FAL, немецкой StG44 или советских пистолетов-пулемётов Шпагина (ППШ) и Судаева (ППС);
- корпус прицела является ручкой для переноски оружия, как у опытной английской винтовки EM2;
- расположенный слева над пистолетной рукоятью флажковый переводчик видов огня, как у пистолета-пулемёта Томпсона;
- закрывающая окно для выброса гильз шторка, как у StG44 и пистолета-пулемёта М3.
Армейские испытания
Армейские испытания винтовки велись с 1958 года в Форт-Беннинге, штат Джорджия (основной объём испытаний), и Форт-Грили, штат Аляска (испытания в арктических условиях). Несмотря на то, что испытания прошли без серьёзных нареканий и винтовка в целом получила одобрение Командования континентальных армейских сил, категорический протест заявило управление начальника вооружения армии, которое не имело возможности придраться к эксплуатационным характеристикам оружия, потому была заявлена совершенно иная формальная причина для отказа — патроны 223-го калибра (5,56 мм) были признаны не удовлетворяющими армейским потребностям, разработчикам было рекомендовано переделать ствол, патронник, магазин и затворную группу под винчестерские патроны 258-го калибра (6,55 мм), тогда винтовка будет удовлетворять требованиям нормального боепитания и может сменить M14 в войсках (указанное требование имело завуалированно издевательский характер, так как ни одного образца стрелкового оружия под винтовочный патрон 258-го калибра на вооружении армии никогда не состояло и закупок боеприпасов такого калибра даже не планировалось)[11].
| Результаты испытаний опытных прототипов винтовок Центром экспериментальных боевых разработок армии[10] | |
|---|---|
| AR-15 (Armalite) | Winchester |
| Преимущества | |
| оба опытные образца превосходят M14 по кучности и имеют меньший коэффициент рассеивания пуль в поперечнике | |
| высокая надёжность | высокая точность и вероятность попадания в цель |
| Замечания к выявленным недостаткам | |
| необходимы более совершенные прицельные приспособления | требуется полное перепроектирование и замена затворной группы ввиду низкой надёжности оружия, быстрого износа деталей и высокого коэффициента осечек |
| Рекомендации | |
| необходимо достижение сочетания точности образца Winchester с надёжностью образца Armalite | |
Для контроля за ходом испытаний была создана специальная комиссия из высших армейских офицеров во главе с генералом Гербертом Пауэллом, человеком, очень скептически относившимся ко всякого рода новшествам, но симпатизировавшим Стоунеру и его винтовке. Самые разгромные характеристики AR-15 пришли с Аляски, когда Стоунеру о них сообщили, он сорвался в крик и нецензурно выругался в присутствии генералитета (в Armalite впервые узнали об арктических испытаниях, когда с Аляски прибыла заявка на поставку комплектующих, Стоунера отправили туда в командировку вместе с товаром для разведки ситуации)[12]. И хотя комиссия по итогам четырёхмесячных испытаний, несмотря на отрицательные отзывы, распорядилась закупить 750 винтовок для продолжения испытаний, члены отдела разработки стрелкового оружия управления начальника вооружения заявили протест, опять же из-за неудовлетворительного, по их мнению, калибра, предложив разработать оружие под педерсеновский патрон 276-го калибра (7,21 мм), который закупался армией в экспериментальном порядке в межвоенный период (работа по нему была прекращена ещё до начала Второй мировой войны)[13]. Неохотно, но Пауэлл всё же согласился с требованиями армейских оружейников[12].
Отдельно от перечисленных выше свои выводы представил Центр экспериментальных боевых разработок армии. Заключительный отчёт по итогам армейских испытаний за период с 1 декабря 1958 по 22 марта 1959 был подан центром на рассмотрение высшего командования 30 мая 1959 года. В отчёте открыто признавалось, что AR-15 — абсолютный лидер по количеству голосов военнослужащих из числа испытательных команд по следующим параметрам: лёгкость, высокая надёжность, хорошая сбалансированность и удобство удержания оружия в руках, низкая отдача, малая амплитуда колебаний ствола при стрельбе автоматическим огнём и, соответственно, высокая кучность, плавность спуска. В целом, в выводах специалистов центра рекомендовалось как можно скорее принять на вооружение доработанный образец Armalite или Winchester и заменить в войсках устаревшие M14, которые признавались уступающими AR-15 по всем показателям, кроме точности[10].
В январе 1959 года начальник штаба армии США генерал Максвелл Тейлор, ознакомившись с результатами испытаний и отчётом комиссии Пауэлла, распорядился оставить M14 на вооружении, а винтовочный патрон калибра 7,62 мм был признан единственным боеприпасом для оружия такого типа. В результате все предложенные проекты винтовок были отвергнуты, армейские структуры сосредоточились на разработке стрелково-гранатомётного комплекса на базе M14, сочетающего в себе возможности ведения прицельного винтовочного огня с функцией оружия сплошного поражения, — того, что впоследствии приняло форму подствольного гранатомёта[14].
Испытания ВВС

Несмотря на то, что винтовка исходно разрабатывалась для сухопутных войск, Армия отказалась от закупок винтовки и заинтересованной стороной, как ни странно, выступали Военно-воздушные силы США, которые вели испытания винтовок на полигоне авиабазы им. Хилла в штате Юта. 22 мая 1961 года по итогам контрольных стрельбовых испытаний последовал заказ опытной партии винтовок и патронов. В январе 1962 года винтовка M16 официально принимается на вооружение ВВС США как «стандартное» стрелковое оружие для подразделений охраны, сменив M14 (именно ВВС присвоили винтовке индекс M16).[15] Патроны для винтовки были разработаны инженерами Remington Arms, Inc. совместно с Armalite. Remington выступала основным поставщиком рекомендованных боеприпасов. Контрольные испытания винтовки под ремингтонский патрон прошли 20 февраля 1962 года, по итогам которых патрон был принят ВВС как стандартный боеприпас для оружия такого калибра. 23 мая 1962 года Colt получает заказ от ВВС на 8500 винтовок с комплектующими и 8,5 млн патронов[16].
Испытания DARPA

Параллельно с ВВС испытания винтовки за пределами США, в Южном Вьетнаме, велись Агентством по перспективным военным разработкам (DARPA) Министерства обороны США и лицами из аппарата министра обороны, ответственными за НИОКР. В июле 1961 года по согласованию с Командованием по оказанию военной помощи Южному Вьетнаму винтовка была признана наиболее годным образцом вооружения для испытания во Вьетнаме. Это решение было продиктовано соображениями антропометрического характера, ввиду малого роста и худощавой комплекции большинства вьетнамцев-военнослужащих, для которых другие американские образцы стрелкового вооружения были слишком тяжёлыми и крупногабаритными (вооружать ею американскую пехоту тогда не планировали). В августе того же года состоялись стрельбы на одном из южновьетнамских полигонов, где винтовка получила высокие оценки южновьетнамских офицеров и американских военных советников, в декабре Министр обороны США Роберт Макнамара одобрил закупку одной тысячи винтовок с запчастями и патронами для оснащения ряда военных частей созданной американцами Армии Республики Вьетнам (АРВ).
Первая опытная партия прибыла 27 января, а испытания продлились с 1 февраля по 15 июля 1962 года[17]. Наряду с AR-15, в испытания прошли винтовки M1 и M1918, карабин M1 и пистолет-пулемёт M1921. Испытания показали, что по своей простоте в эксплуатации и обслуживании, эргономичности, тактической функциональности и универсальности для полевой и гарнизонно-караульной службы AR-15 не было равных, по точности стрельбы одиночными выстрелами, живучести и надёжности AR-15 была сопоставима только с M1 Garand. При среднем настреле в 80 тысяч выстрелов на ствол не произошло ни одной поломки, на тысячу стволов потребовалось замена всего двух деталей. Тем не менее, командующий тихоокеанскими силами США адмирал Гарри Фелт, признавая AR-15 отличным оружием, из соображений экономии средств выступал против оснащения ею АРВ, его позиция была поддержана Объединённым комитетом начальников штабов и 25 марта 1963 года Р. Макнамара утвердил решение об отказе от поставок 20 тысяч AR-15 Вьетнаму[18].
Испытания контрольно-ревизионным управлением
В то время, как ВВС уже проводили плановое перевооружение, Армия продолжала закупать для своих нужд M14. 27 сентября 1962 года контрольно-ревизионное управление (КРУ) Министерства обороны подало рапорт на имя министра, в котором в двенадцати пунктах перечислялись результаты проведённых военными инспекторами испытаний, в целом повторявшие результаты южновьетнамских испытаний, но содержавшие ряд незначительных отличий. Рапорт подчёркивал высокое убойное действие пули, высокую точность и темп стрельбы AR-15. В рапорте утверждалось, что AR-15 может заменить в вооружённых силах всё имеющееся стрелковое оружие, предназначенное для стрельбы с плечевого упора (винтовки, карабины, ручные пулемёты). Инспекторами особо подчёркивалось технологическая простота в изготовлении, простота в эксплуатации, более высокое качество и низкая стоимость AR-15 по сравнению с M14. Калибр оружия позволяет увеличить носимый боекомплект военнослужащего в два раза или снизить на 40 % вес индивидуального снаряжения в сравнении с таковым для военнослужащих вооружённых M14. AR-15 не уступает M14 в точности, а применяемый боеприпас имеет хороший потенциал к усовершенствованию. Рапорт признавал ошибочными все предыдущие доклады по результатам армейских испытаний о якобы имевших место отказах и задержках при стрельбе в условиях дождливой погоды или арктического холода. Что немаловажно, выводы по испытаниям винтовки DARPA и КРУ базировались на применении боеприпасов с одноосновным экструдированным порохом марки IMR, какой порох применялся в боеприпасах армией, не уточнялось[19].
Вмешательство министра обороны
После получения рапорта КРУ, 12 октября 1962 года Р. Макнамара направил Министру армии Сайрусу Вэнсу меморандум, где утверждалось, что M14 однозначно уступает в огневых качествах и боевой эффективности своему советскому аналогу АК и его копиям в соцстранах, и что AR-15 превосходит его по всем показателям, имеющим хоть какое-либо военное значение. Настойчиво рекомендовалось провести одновременные испытания М-14, AR-15 и АК. Во исполнение указания вышестоящего начальника С. Вэнс приказал своим подчинённым дать «беспристрастную и объективную оценку относительной эффективности трёх образцов вооружения, проведя их сравнительные испытания». К испытаниям были привлечены несколько управлений и все армейские территориальные командования, включая зарубежные воинские контингенты в Панаме и ФРГ, кроме тихоокеанского командования. Испытания завершились направлением совместного отчёта 9 января 1963 года[20]. Как ни странно, несмотря на все свои достоинства, AR-15 был признан армейскими испытателями неподходящей заменой для M14 ввиду своих «плохих» прицельных приспособлений и неудовлетворительных результатов ночных стрельб, пробивная способность была признана минимально удовлетворительной. Самый веский аргумент армейского отчёта, который уже был вызовом не конструкторам винтовки, а лично Министру обороны, — принятие на вооружение AR-15 являлось нарушением международных соглашений НАТО по стандартизации (на которые при иных обстоятельствах американские военные не обращали внимания). В выводах рекомендовалось сохранить M14 на вооружении Армии до тех пор, пока не будет завершена программа разработки индивидуального оружия специального назначения, для отсрочки указывалась дата 1 января 1965 года. В то же время допускались варианты частичного оснащения воздушно-десантных войск, десантно-штурмовых частей и частей специального назначения, в частности, в пользу этого выступал начальник Командования боевых разработок генерал-лейтенант Джон Дейли[21].
Расследование
21 декабря 1962 года С. Вэнс, чтобы снять с себя ответственность за самоуправство генералитета в сложившейся ситуации, поручил генеральному инспектору армии провести расследование обстоятельств испытаний проведенных в ноябре-декабре на предмет их законности. Расследование показало наличие предварительного сговора группы армейских генералов акцентировать внимание на любых недостатках AR-15 и давать ей только отрицательные отзывы, пехотный комитет вообще намеревался проводить испытания AR-15 в таких условиях, которые бы неминуемо привели к неудовлетворительным результатам, а M14 испытывать при благоприятных условиях. Аналогичные действия осуществлялись офицерами Абердинского испытательного полигона. Патроны для испытаний отбирались селективно для M14 и AR-15, для первой — наиболее качественные, для второй — бракованные боеприпасы. Стрелки для участия в испытаниях M14 набирались из наиболее опытных военнослужащих, хорошо владеющих этой винтовкой и имеющих большой настрел, и наименее опытные для AR-15. Деревянные приклад, рукоятка и ложе M14 в результате дождевых испытаний пропитались влагой и деформировались, нарушив центровку оружия — это не было отражено в отчётах, в то время как любые нарекания в эксплуатации полимерной AR-15 намеренно преувеличивались и скрупулёзно фиксировались[22].
Общевойсковое оружие

Вскоре после проведённого расследования винтовка была ограниченно принята на вооружение перечисленных выше компонентов Армии США. Ввиду продолжавшегося саботажа, 11 марта 1963 года Р. Макнамара направил меморандум министрам всех четырёх видов вооружённых сил (армии, авиации, флота и морской пехоты), где проинструктировал их прекратить к осени 1963 года закупки разных винтовок и закупать какую-либо одну (прямо не указывая на AR-15, хотя подразумевая это). Для предотвращения дальнейшего саботажа был создан специальный межвидовый технический координационный комитет под председательством руководителя программы AR-15, что не оставляло альтернативы[23]. Ко времени постановки винтовки на вооружение Армии уже 20 тысяч винтовок были отправлены в части ВВС США, ими были вооружены части специального назначения флота. В 1963 году с фирмой Colt заключен новый контракт на поставку 104 тысяч винтовок, из которых 85 тысяч XM16E1 предназначены для оснащения ВДВ, ДШВ и частей специального назначения Армии США, 19 тысяч XM16 — для ВВС.
В 1966 году, с эскалацией войны во Вьетнаме и вводом в страну контингента в составе нескольких сот тысяч американских военнослужащих, новой винтовкой вооружаются все американские подразделения во Вьетнаме. Парадоксально, но серийный образец винтовки, в отличие от опытного прототипа, показал себя довольно ненадёжным образцом стрелкового оружия. 28 февраля 1967 года на вооружение принят усовершенствованный вариант M16А1. В 1966—1967 годах на вооружении войск во Вьетнаме состоят автоматно-гранатомётные комплексы ХM16Е1 с подствольным гранатомётом ХМ148, однако недостатки данного гранатомёта привели к снятию его с вооружения и принятию в 1969 году на вооружение нового 40-мм гранатомёта M203 производства AAI Corp[3].
Работы по усовершенствованию
В 1968 году в США принимается программа ARSAP, целью которой становится создание перспективных систем стрелкового вооружения, и, как следствие, фирма Colt создаёт несколько новых вариантов оружия[3]:
- стандартный автомат M701 с отсечкой очереди по три патрона;
- AR15A2 HBAR M741 — ручной пулемёт с тяжёлым стволом с сошками, предназначенный для использования в качестве легкого оружия поддержки, на базе которого в 1987 году для антитеррористических подразделений полиции была разработана снайперская винтовка AR15A2 Delta HBAR с изменённой конструкцией ствола, регулируемыми сошками и прикладом, а также более мощным оптическим прицелом 3-9Х;
- карабин M723;
- карабин (пистолет-пулемёт по классификации производителя) «Colt Commando» M733.
В 1982 году на вооружение принимается M16A2, адаптированная под патрон SS109. Корпус морской пехоты перешёл на новую винтовку в 1984 году, а армия — в 1985 году. С 1990 года производство винтовок передается фирме FN Manufacturing Inc. В 1994 году на вооружение армии США поступают самые последние варианты винтовки M16 — M16A3 и M16A4.
Производство
В 1958 году шли переговоры между Fairchild-Stratos в Хейгерстауне, штат Мэриленд (подразделение корпорации Fairchild Engineering & Airplane Corp. бизнес-империи Шермана Фэйрчайлда, в составе которого находилась Armalite) и представителями Colt’s Patent Firearms Manufacturing Company, 7 января 1959 года стороны заключили лицензионное соглашение и договор о техническом сотрудничестве, по которому Colt предоставлялось право изготавливать и продавать винтовки покупателям в США и за рубежом. Посредником сделки выступала компания Cooper-Macdonald, Inc. в Балтиморе, штат Мэриленд, которая одновременно являлась эксклюзивным дилером продукции за рубежом и все поставки винтовок на международном рынке (включая госзаказы) шли через неё[24]. Держатель лицензии являлся получателем роялти от 3 до 5 % (в зависимости от государственной принадлежности покупателя) с каждой проданной винтовки или комплектующих к ней по отдельности, что закладывалось в конечную стоимость продукции, впоследствии 89 % отчислений с продаж составлял федеральный клиентский сектор внутренних военных заказов, 11 % приходилось на продажи для полицейских структур, охранных предприятий, частных лиц и на экспорт. Исходное соглашение было расширено и дополнено 1 апреля 1963 года, в результате чего Colt становилась эксклюзивным обладателем перечисленных прав и начала коммерческое производство винтовок[25], планируя начать продажи в Индию и Малайзию.
С целью снижения закупочной стоимости и своевременного выполнения заказов (но в итоге получилось дороже и военному командованию пришлось оспаривать издержки в судебном порядке), серийное производство винтовки по требованию армейского командования осуществлялось несколькими корпорациями-подрядчиками независимо друг от друга[26]:
- Colt’s, Inc., Хартфорд, Коннектикут (по цене 120 $ за штуку);
- General Motors Corp., Hydra-Matic Division, Ипсиланти, Мичиган (по цене 131 $ за штуку);
- Harrington & Richardson Corp., Вустер, Массачусетс (по цене 122 $ за штуку).
Двум другим производителям стрелкового оружия — Maremont Corp. Saco-Lowell Division и Cadillac Gage — было отказано в участии в производстве винтовки[27]. Винтовки различных производителей имеют соответствующую фирменную маркировку («COLT», «G. M. CORP» или «H&R») на приёмнике магазина с левой стороны.
Производством M16A2 занималась Colt, впоследствии к ней подключилась FN Manufacturing (американский филиал одноименной бельгийской компании), производство было организовано на заводе в Колумбии, Южная Каролина[28].
Конструкция

Автоматическая винтовка калибра 5,56×45 мм с воздушным охлаждением ствола, автоматикой на основе газового двигателя (использование энергии пороховых газов) и схемой запирания поворотом затвора. Пороховые газы, отведенные из канала ствола по тонкой газоотводной трубке, воздействуют непосредственно на затворную раму (а не на поршень, как во многих других схемах) толкая её назад. Движущаяся затворная рама поворачивает затвор, тем самым выводя его из зацепления со стволом. Дальше затвор и затворная рама движутся под действием остаточного давления в патроннике, сжимая возвратную пружину, одновременно с этим выбрасывается стреляная гильза. Распрямляющаяся возвратная пружина толкает затворную группу обратно, затвор извлекает из магазина новый патрон и досылает его в патронник, после чего входит в зацепление (запирается) со стволом. На этом цикл работы автоматики завершается и после выстрела все повторяется сначала. В конструкции M16 предусмотрена задержка затвора в крайнем заднем положении после выстрела последнего патрона в магазине. Для перезарядки достаточно сменить магазин и нажать на кнопку снятия затвора с затворной задержки, расположенную на левой стороне затворной коробки.
Для изготовления винтовки использованы сталь, алюминий и пластмасса.

M16 — винтовка классической компоновки. В прикладе размещены приспособления для чистки оружия. С правой стороны ствольной коробки хорошо виден «досылатель» затвора (предназначенный для ручного досылания затвора, если энергии возвратной пружины окажется недостаточно) и крышка над окном выбрасывателя гильз, предохраняющая механизм от попадания грязи и автоматически открывающаяся при взведении затвора. Кроме того, на винтовках, начиная с модификации M16А2, появился отражатель, который позволяет стрелку вести огонь с левого плеча, не боясь попадания гильз в лицо. На винтовку может устанавливаться 40-мм подствольный гранатомет M203 (в каждом отделении американской армии имеется по два автомата с данным гранатомётом)[3]. На современных винтовках имеются направляющие типа Picatinny rail, позволяющие устанавливать широкий ассортимент прицелов и дополнительных приспособлений — лазерных целеуказателей, тактических фонарей, передних рукояток и так далее.
Боевое применение
«Боевое крещение» винтовка получила в ходе индонезийско-малайзийской конфронтации 1962—1966 годов, где использовалась специальными подразделениями британской армии. Однако мировую известность M16 получила в ходе Вьетнамской войны, где широко применялась армиями США и Южного Вьетнама.
Боевой опыт применения винтовки во Вьетнаме с марта 1965 года, производившейся под «экспериментальным» названием XM16E1, выявил её низкую надёжность. Оружие поставлялось в боевые части без надлежащего комплекта по чистке или инструкции по уходу. В результате оружие быстро загрязнялось и заклинивало прямо во время боя — из-за загрязнения гильза стреляного патрона застревала в патроннике и препятствовала дальнейшей стрельбе[29][30]. Документированные свидетельства о погибших солдатах, пытавшихся в условиях боя починить заклинившее оружие и которых находили убитыми вместе с разобранными винтовками, в конце концов привели к специальному расследованию Конгресса США для выяснения причин[29][31].
В феврале 1967 года модернизированная XM16E1 была принята на вооружение под названием M16A1[29]. Вместе с новой винтовкой поставлялся набор для чистки и руководство по эксплуатации, выполненное в виде комиксов[32][33]. В результате этих работ случаи с заклиниванием оружия были сведены к минимуму, и M16A1 стала поступать на вооружение всех войсковых частей во Вьетнаме[29][34]. К 1969 году M16A1 заменила M14 в качестве стандартной винтовки армии США[35].
Большое число винтовок M16 было захвачено армией Северного Вьетнама у США и Южного Вьетнама. В одной только операции «Хошимин» в 1975 году северовьетнамцы захватили в качестве трофеев 946 000 M16 разных модификаций и более 1 миллиарда патронов к ним[36][37][38][39][40][41][42][43].
В 80-х годах вьетнамцы продали 1620 винтовок M-16 и 1,5 миллиона 5,56-мм патронов к ним для сальвадорского Фронта национального освобождения имени Фарабундо Марти. ФНОФМ использовала их в борьбе с лоялистами во время гражданской войны[44].
- После Вьетнама
Являясь табельным оружием войск США, M16 использовалась во всех военных конфликтах с участием США, начиная с 1970-х годов, включая Вторжение США на Гренаду, войну в Персидском заливе, Афганистане (2001—2014), Иракскую и Югославские войны, а также во многих локальных конфликтах по всему миру силами, снабжавшихся оружием и амуницией Соединёнными Штатами.
Отмечалось использование M16 египетскими коммандос в войне Судного дня в 1973 году.
Использовались армией Грузии в 2008 году в Южной Осетии. Российские миротворцы с базы Сенаки вывезли 764 винтовки M-16A2.
Варианты


- M16 — первая модель винтовки. Огонь вёлся непрерывными очередями или одиночными выстрелами. После снятия с вооружения компания Colt продолжила производство M16 для гражданского и полицейского рынков, а также на экспорт.
- XM16E1 — промежуточный вариант, выпускавшийся наряду с M16, но имевший досылатель затвора. Не имел хромированного покрытия ствола. Также на XM16E1 испытывался подствольный гранатомёт ХМ148 (Colt GGL).
- Colt M16 HBAR Model 611/615/616 — экспериментальный вариант с утолщённым стволом для интенсивной стрельбы.
- M16A1 — усовершенствованный вариант M16. Основные отличия: появление механизма досылания затвора и усовершенствованный буфер стебля затвора (снизил темп стрельбы до 750—850 выстрелов в минуту и исключил отскок затвора и осечки), более надёжный пламегаситель с замкнутыми щелями, хромированное покрытие затвора (для исключения его коррозии), уменьшение шага нарезов с 356 до 305 мм (улучшило устойчивость пули, но увеличило рассеивание на дистанциях свыше 400 м), прилив для установки штык-ножа. Также специально для новой винтовки был создан 30-зарядный магазин и глушитель, рассчитанный для стрельбы обычными (а не дозвуковыми) патронами. Находилась на вооружении армии США с 1967 по 1985 год[3].
- Colt M16A1 HBAR Model 621 — экспериментальный вариант с утолщённым стволом для интенсивной стрельбы.
- Colt M16A1 Model 655 Special High Profile и Colt M16A1 Model 656 Special High Profile — экспериментальные варианты с утолщённым стволом для снайперов. Имели планку для установки оптического прицела.
- M16A2 — вариант винтовки M16A1, адаптированный под патрон SS109/М855. Отличия от M16A1: упрочнённый ствол с шагом нарезов 1:7, улучшенные прицельные приспособления, размеченные до 800 м, новые цевьё и приклад из ударопрочного полиамида, замена режима непрерывного огня на режим с отсечкой очереди после 3 выстрелов (на вооружении корпуса морской пехоты поступил вариант M16A2 с возможностью ведения непрерывного огня), новый пламегаситель с прорезями только в верхней части (благодаря чему компенсировался увод оружия вверх). Новая винтовка стала комплектоваться лёгкими пластиковыми магазинами на 30 патронов[3].
- Colt M16A2 HBAR Model 741/742/745/746 — экспериментальный вариант с утолщённым стволом для интенсивной стрельбы.
- Colt M16A2 LMG Model 750 / Diemaco C7 Light Support Weapon (LSW) — лёгкий ручной пулемёт с утолщённым стволом для интенсивной стрельбы, предлагавшийся армии Канады. Позже предлагалась Model 950.
- M16A3 — вариант винтовки M16A2 с режимом непрерывного огня, состоит на вооружении во флоте. Прицельные приспособления с ручкой для переноски идентичны M16A2[46]. Появилась на вооружении у армии США в 1992 году под индексом M16A2E3[47].
- M16A4 — вариант винтовки M16A3. Сверху ствольной коробки вместо ручки для переноски (которая стала съёмной) установлена направляющая типа Пикатинни. Возможна установка дополнительных направляющих типа Пикатинни на цевьё[46].
- XM106 — вариант винтовки M16 с утяжелённым стволом (heavy barrel), вынесенной вперёд рукояткой и сошками, разработанный в конце 1970-х гг. Лабораторией баллистических исследований Абердинского научно-исследовательского центра на конкурс образцов автоматического оружия пехотного отделения «SAW» (уступила в итоге XM249)[48].
- M231 — автоматическая винтовка, созданная в 1979 году на базе M16А1 (65 % взаимозаменяемых деталей) и предназначенная для крепления на поворотном шарнирном устройстве в бойницах бронетехники[3].
- M4 — укороченный вариант M16A2, имеет меньший ствол (368 мм) с усиленным дульным тормозом, телескопический приклад[3]. Позднее ручка для переноски стала съёмной на планке Пикатинни, установленной на ствольную коробку.
Церемониал
В соответствии с положениями принятой осенью 1971 года очередной редакции армейского полевого руководства № 22-5 «Строевые приёмы с оружием и церемонии» (аналог строевого устава), регламентировавшего базовые строевые приёмы с оружием, винтовка M16 сменила M1 в качестве церемониального оружия (но не во всех аспектах: в подразделениях почётного караула и церемониальных подразделениях M1 осталась в качестве штатного оружия) и стала использоваться на занятиях по строевой подготовке. В своей предыдущей редакции от 1968 года указанное руководство регламентировало только ношение оружия на ремне, воинское приветствие с оружием на ремне и предоставление оружия к осмотру вышестоящему начальнику. Таким образом, M16 стала полноценным церемониальным оружием[49].
![]() |
![]() |
![]() |
![]() |
![]() |
| оружие на грудь | воинское приветствие с оружием у ноги |
оружие в руке по-походному |
оружие к осмотру | воинское приветствие с оружием на ремне |
Гражданское использование
Винтовки типа AR-15/M16 широко используются не только в вооружённых силах США и других стран, но и для охоты, спортивной практической стрельбы, обучения и тренировок в стрельбе и обращении с оружием, в целях самообороны в доме и за городом, а также просто для развлекательной стрельбы.
На гражданский рынок оружия винтовки типа AR-15/M16 компания Кольт впервые вывела в 1963 году. Данное оружие отличалось внешне от армейских M16 лишь маркировкой, а основным отличием являлось отсутствие возможности стрельбы очередью. Однако эта винтовка не была популярна до второй половины 1980-х гг., когда на вооружение армии США была принята её новая модификация M16А2, которую практически сразу начали выпускать в гражданском варианте, как компания Кольт, так и другие производители оружия.
С течением времени предлагаемый производителями ассортимент неуклонно расширялся и продолжает расширяться в настоящее время. Причём изготавливать винтовки типа AR-15/M16 может любой производитель, благодаря тому, что права на конструкцию этого оружия были выкуплены правительством США у компании Кольт и не защищаются патентами, в отличие от самой торговой марки.
Первые гражданские версии винтовок M16 практически не отличались от поставлявшихся в вооружённые силы. Эти винтовки имели тот же калибр 5,56х45 (.223 Remington). Затем, в 1980-х гг. стали выпускать версии под малокалиберный патрон .22 Long Rifle кольцевого воспламенения. Использование данного патрона допустимо при помощи специальных адаптеров, вставляющихся в магазин и патронник. Появились также версии под пистолетные патроны 9×19 мм Парабеллум и .45 ACP, для которых требовались не только адаптеры к магазинам, но и замена верхней части ствольной коробки (upper receiver). В настоящее время существуют версии под патроны FN 5,7х28 и 7,62×25 мм ТТ.
Позднее винтовки типа AR-15/M16 начали выпускаться под перспективные 6.8 Remington SPC (6,8х43) и 6.5 Grendel (6,5х38), советские промежуточные патроны 7,62×39 мм и аналогичные им современные .300 AAC Blackout (7,62х35) и .300 Whisper (7,8х34), а также множество других, как более, так и менее широко распространенных патронов. Выпускаются также версии под винтовочный патрон 7,62×51 мм НАТО, фактически являющиеся наследниками оригинальной винтовки AR-10 конструкции Юджина Стоунера.
Кроме наиболее распространенных промежуточных и винтовочных патронов, винтовки типа AR-15/M16 с конца 1990-х — начала 2000-х гг. выпускаются под крупнокалиберные патроны, спроектированные специально для использования в этом оружии. Это .450 Bushmaster (11,4х43), .458 SOCOM (11,6х40), .499 LWR (12,5х44) и .50 Beowulf (12,7х42), обладающие значительным останавливающим действием и энергией пули на малых и средних дистанциях стрельбы, что позволяет эффективно использовать винтовки типа AR-15/M16 в этих калибрах для охоты на среднюю дичь и даже некоторые виды крупной дичи.
Среди любителей оружия и стрельбы существует определённый спрос на точные реплики оригинальных армейских винтовок M16, предназначенные для гражданского рынка оружия. В 2016 году компания Colt’s Manufacturing LLC представила публике самозарядную винтовку M16A1 Retro Reissue, являющуюся репликой армейской M16A1 в исполнении времён Вьетнамской войны (Vietnam-era rifle) с цевьём треугольного сечения, ручкой для переноски узнаваемого профиля, без выступа-отражателя, со стволом длиной 508 мм с шагом нарезов 1:12. Винтовки M16A1 Retro Reissue в настоящее время предлагается по цене 2499 $[50].
Страны-эксплуатанты

США
Австралия
Аргентина
Афганистан
Багамские Острова
Бангладеш
Барбадос
Бахрейн
Белиз
Боливия
Босния и Герцеговина
Ботсвана
Бразилия
Бруней
Великобритания (Войска спец назначения)
Восточный Тимор
Вьетнам
Гаити
Гана
Гватемала
Гондурас
Гренада
Греция
Грузия
Дания
Доминиканская Республика
Египет
ДРК
Йемен
Израиль (В боевых войсках заменены на M4 и автоматы Тавор)
Индия (M16A2, Войска спецназначения)
Индонезия
Иордания
Ирак
Исландия (C7, C8)
Италия (Войска спецназначения)
Камбоджа
Камерун
Канада
Катар
Колумбия
Коста-Рика
Кувейт
Лаос — первые автоматы для королевских вооруженных сил Лаоса были тайно поставлены из США в 1969 году, их получили дворцовая гвардия и парашютисты. К 1971 году перевооружение войск на М-16 было завершено[52]; некоторое количество трофейных М-16 использовали партизаны Патет-Лао[53]
Латвия
Лесото
Либерия
Ливан
Литва (M16A1)
Лихтенштейн
Малайзия
Мальдивы
Марокко
Мексика
Непал
Нигерия
Нидерланды (C7, C8)
Никарагуа
Новая Зеландия
Норвегия
ОАЭ
Оман
Пакистан
Панама
Папуа — Новая Гвинея
Перу
Республика Корея (M16A1-ВВС, ВМФ, резервные войска и другие тыловые войска. В боевых войсках заменены на автоматы K2)
Сальвадор
Саудовская Аравия
Сингапур
Таиланд
Тунис
Турция (Войска спецназначения, полиция)
Уругвай
Фиджи
Филиппины
Франция
Чили
Шри-Ланка (Войска спецназначения)
Эстония
Ямайка
Япония
Оценки
На протяжении своей долгой карьеры военное оружие семейства AR-15 (включая различные модификации M16, М4, и т. п.) находила самые разнообразные оценки, порой становясь объектом разгромной критики.
Например, существует мнение, что M16 является скорее хорошей спортивной винтовкой, пригодной для военной службы лишь условно вследствие целого ряда врождённых недостатков[54].
В качестве таковых называют, в первую очередь, невысокую надёжность оружия, особенно в руках сравнительно неопытного или небрежного в обращении с ним бойца, или в условиях, когда тщательный уход за винтовкой просто невозможен, в отличие от автомата Калашникова. В частности, считается, что из-за этого M16 малопригодна для длительных автономных походов[54].

Причина этого кроется главным образом в конструкции оружия: его затворная рама (англ. bolt-carrier) имеет вид цилиндрической детали, достаточно плотно подогнанной к стенкам затворной коробки («ресивера» — англ. upper reciever) из сравнительно мягкого алюминиевого сплава, внутренняя поверхность которой не имеет развитых «карманов» для отвода загрязнений. Это приводит к тому, что если в полость ресивера попадает грязь или песок — оружие либо перестаёт стрелять сразу, либо при стрельбе без немедленной чистки может очень быстро выйти из строя совсем[54].

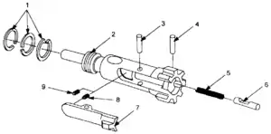
1 — пружинные кольца, обеспечивающие посадку затвора внутри затворной рамы; 2 — затвор; 3 — ось выбрасывателя; 4 — шпилька, ограничивающая ход отражателя; 5 — пружина отражателя; 6 — отражатель; 7 — выбрасыватель; 8 и 9 — пружины выбрасывателя.
Причём происходит это несмотря на все принятые конструкторами меры для герметизации оружия, вроде введения закрывающей окно для выброса гильз подпружиненной шторки (открывающейся при ведении огня автоматически) или устранения прорези для взводной рукоятки (рукоятка расположена позади ствольной коробки и неподвижна при стрельбе, что само по себе привело к снижению надёжности и появлению такой дополнительной детали, как доводчик затвора (англ. forward assist), позволяющий закрыть его, если по той или иной причине он не доходит до крайнего переднего положения под действием возвратной пружины сам, — а риск возникновения такой задержки у M16 повышен ввиду характерной для неё конструкции механизма удаления гильз с закреплённым на затворе пружинным отражателем, пружина которого сжимается при досылании патрона, отнимая энергию у подвижной системы оружия).

Кроме того, многократно подвергавшаяся критике система «прямого» (без газового поршня) газоотводного двигателя (англ. direct impingement), составляющая наиболее существенную особенность конструкции винтовок Стоунера, также не отличается надёжностью, способствует загрязнению механизма оружия пороховым нагаром, его повышенному износу из-за высокой температуры и образования агрессивных химических веществ, и требует применения в патронах пороха стабильно высокого качества, а также частой смены и добавки смазки из-за её «выгорания» при стрельбе — причём применяемая смазка также должна быть высокого качества. Тонкая трубка, соединяющая полость затворной коробки с газоотводным узлом на стволе, также является слабым местом оружия, так как при интенсивном огне нагревается (иногда до такой степени, что начинает светиться в темноте) и может лопнуть.
При этом отмечается, что в руках опытного бойца, понимающего необходимость тщательного ухода за оружием и обеспечивающего его, M16 вполне надёжна. Однако сама необходимость тщательного ухода может быть названа недостатком для боевого оружия, эксплуатирующегося в реальных полевых условиях[54]. Дополнение к инструкции M16 Rifle Tips, распространявшееся среди американских солдат во Вьетнаме, рекомендовало чистить оружие до 3—5 раз в день[55].
Сборка и разборка M16 для чистки, хотя теоретически и не представляет особой сложности как процедура, по мнению эксплуатировавших это оружие в боевых условиях, на практике может производиться практически исключительно в закрытом помещении, — не только из-за наличия в оружии мелких деталей, но и из-за того, что при сборке оружия «в поле» внутрь герметичной ствольной коробки могут попасть пыль и грязь в достаточном для вывода его из строя количестве[54]. Кроме того, чистка оружия затруднена наличием большого количества труднодоступных мест, в которых накапливается нагар, что, впрочем, может быть сказано и обо многих других образцах, действующих по принципу отвода пороховых газов, включая автомат Калашникова, у которого, к примеру, особенную трудность представляет прочистка газоотводной трубки, имеющей сложную форму.
Называются и другие существенные недостатки оружия.
Габариты винтовки с 20-дюймовым (508 мм) стволом считаются в настоящий момент излишними, особенно для мотопехоты, перемещающейся внутри бронетранспортёров в ограниченном объёме[54].
Для M16 характерна недостаточная служебная прочность — легкосплавная ствольная коробка весьма склонна к появлению трещин при ударах, происходящих даже в ходе нормальной эксплуатации оружия — например о корпус бронетехники, и при этом совершенно не ремонтопригодна, так что любая её поломка требует замены, обходящейся весьма недёшево и требующей новой пристрелки оружия. Пластиковые детали фурнитуры также не отличаются высокой прочностью[54].
Малокалиберному стволу M16 свойственна капиллярность (удерживание сконденсировавшейся или попавшей в него воды, которая не удаляется полностью при простом встряхивании оружия), что может привести если не к резкому увеличению давления пороховых газов при выстреле и, как следствие, к разрыву ствола[3], то к его быстрому — всего через несколько выстрелов — выходу из строя[54]. Причём этот недостаток связан главным образом не с диаметром канала ствола, а с характером используемых нарезов — АК74 с абсолютно одинаковым калибром такого недостатка лишён (калибры 5,45 АК и 5,56 M16 абсолютно одинаковы из-за различий в системах измерения калибра в США и Европе — у АК по полям нарезов, а у M16 — по доньям нарезов)[54]. Для устранения этого недостатка был разработан специальный надульный колпачок, надеваемый на ствол в походном положении[3].
Кроме того, как и всё оружие под малоимпульсные малокалиберные патроны, M16 нередко критикуется за сравнительно низкое пробивное и запреградное действие пули[54], при этом её поражающая способность по незащищённой цели нареканий обычно не вызывает.
Для штатных магазинов M16 характерна ненадёжная подача патронов: несмотря на их формальную ёмкость в 20 и 30 патронов, на практике надёжность подачи обеспечивается при заряжании не более 17 и 28 соответственно[56]. Дополнение к инструкции M16 Rifle Tips, распространявшееся среди американских солдат во Вьетнаме, категорически воспрещало снаряжение 20-патронного магазина более чем 18—19 патронами[55].
Приёмник магазинов с длинной горловиной хотя и удобен в использовании, имеет свойство забиваться грязью в соответствующих условиях, после чего примкнуть магазин становится проблематично[54].
Размещение возвратной пружины в прикладе не позволяет получить полноценный складной приклад (у укороченных вариантов типа М4 он выполнен телескопическим, в сложенном состоянии длина оружия уменьшается сравнительно ненамного).
Наконец, как существенный недостаток называется высокая цена оружия[54].
«Изжить» некоторые из недостатков, характерных для ранних вариантов оружия, была призвана принятая в начале 1980-х годов модификация M16А2, получившая более толстый и тяжёлый ствол, приспособленный к ведению интенсивного огня, более широкий и удобный приклад, выполненный, как и новое цевьё и рукоятка, из более прочного полиамида вместо хрупкого стеклопластика, улучшенные прицельные приспособления, допускающие более точную регулировку при пристрелке, и иные улучшения.
Однако наряду с этим в ней появилась «отсечка», ограничивавшая количество выстрелов в очереди при ведении автоматического огня тремя. Эта деталь немедленно была подвергнута критике, так как в бою была практически бесполезна — даже неопытный стрелок вполне может и сам «отсекать» короткие очереди, но при этом сильно вредила кучности стрельбы одиночными из-за того, что введённые в УСМ оружия изменения отрицательно повлияли на характер спуска — он стал тяжёлым, неровным и с провалом в конце. Поэтому в настоящее время многие армейские винтовки M16А2, а также все M16А3, состоящие на вооружении морской пехоты, не имеют этого устройства[54]. Наиболее современные варианты семейства AR-15 — карабины M4A1 — также имеют обычный режим автоматического огня без отсечки, однако последняя модификация винтовки M16A4 «отсечку» сохраняет.
В качестве достоинств же оружия главным образом называют высокую кучность при стрельбе одиночными: рядовые экземпляры дают группу в 2—3,5 дюйма (~5—9 см) на 100 ярдах (91 м), а отборные — до 1 1/2 дюйма (~3,8 см), что уже приближается к показателям снайперского оружия, для которого на Западе минимально приемлемой считается кучность порядка 1 дюйма (2,54 см) на той же дистанции. Благодаря этому огонь из M16 вполне эффективен до 300—400 метров[54].
При стрельбе очередями кучность существенно ухудшается, но тем не менее всё равно остаётся на достаточно высоком уровне, поскольку отсутствие газового поршня снижает массу подвижных частей[57]. Кроме того, для M16 характерна сбалансированность отдачи в горизонтальной плоскости, достигнутая за счет специальных регулировочных «наварок» в левой части затворной коробки: при стрельбе очередями ствол в стороны почти не уводится. M16 весьма комфортна при стрельбе для такого сравнительно мощного оружия и при этом имеет достаточно небольшую массу.
Также в целом для M16 характерны сравнительно хорошая эргономика (например, размещение кнопки отсоединения магазина и предохранителя — переводчика видов огня осуществлено таким образом, что для их использования нет необходимости выходить из «положения стрельбы»); модульность конструкции, позволяющая заменой верхней части ствольной коробки (англ. Upper receiver) быстро сменить ствол на ствол другой длины или под другой патрон (полезно на гражданском и полицейском рынках); а также возможность установки большого количества аксессуаров на универсальные направляющие типа планка Пикатинни у самых последних модификаций[58]; возможность исключительно точной корректировки прицелов при пристрелке винтовки в полевых условиях (начиная с А2).
На оружии имеется затворная задержка — механизм, который задерживает затвор в крайнем заднем положении после опустошения магазина, что облегчает процедуру замены магазина; вместе с тем, часто отмечается, что затворная задержка крайне ненадёжна, и выходит из строя от простого настрела, а также может вызвать задержки при стрельбе[54]. При перезаряжании оружия, вставшего на затворную задержку, окно для выброса гильз остаётся открытым, и через него внутрь ствольной коробки могут попадать песок и грязь.
Перспективы замены
Программа под громким названием «винтовка будущего» (Future Rifle System или сокр. FRS) стартовала практически сразу после принятия M16 на вооружение Армии США, вкупе с многочисленными проектами по созданию модификаций списанной с вооружения M14, — таким образом армейское руководство давало понять, что оно сделает всё возможное для того, чтобы снять M16 с вооружения как можно скорее. Наиболее интенсивная фаза работ по созданию подходящей замены для M16 пришлась на период эскалации Вьетнамской войны, когда был предложен целый ряд альтернативных вариантов, «заточенных» конкретно под условия Индокитайского театра военных действий (отсутствие визуального контакта с противником, спорадические перестрелки в условиях густой растительности с интуитивной стрельбой на звук), где подавляющее большинство американских военнослужащих ни разу не видело противника в глаза, так как противник практически всегда действовал из засады, — в то время как большая часть американского оружия была разработана с прицелом на Западноевропейский ТВД и встречный бой с силами Советской Армии и армий ОВД. Но с окончанием Вьетнамской войны и началом политики разрядки после подписания Парижского мирного соглашения эта и многие другие американские программы разработки вооружения «забуксовали», во-первых, от того, что утратили актуальность в свете ограниченной применимости за пределами указанного целевого региона, во-вторых, что было даже более весомым фактором, от резкого сокращения финансирования. По свидетельству старшего офицера отдела изучения иностранного вооружения Центра по изучению зарубежной науки и техники Армии США Гарольда Джонсона, в военном бюджете после 1973 года просто не было предусмотрено расходов на НИОКР этой тематики и программа «винтовка будущего» тихо «умерла», — её просто не включили в очередной ежегодный перечень испытуемого вооружения. Согласно прогнозу Джонсона, озвученному им в 1974 году, США перешагнут порог третьего тысячелетия с винтовкой M16 и производными от неё, а Советский Союз - с семейством АК[6], — так оно в итоге и вышло, за исключением того, что СССР прекратил своё существование, но Россия действительно встретила новое тысячелетие со стрелковым оружием на базе АК в качестве основного и практически безальтернативного массового образца.
Новый всплеск активности на этом поприще пришёлся на 1980-е годы и был связан с началом политики ремилитаризации в рамках программы «Звёздных войн» в период президентства Рональда Рейгана. Поочерёдно сменили друг друга несколько программ разработки стрелкового вооружения пехоты, самой нашумевшей из которых была программа разработки «усовершенствованной боевой винтовки» ACR, из которой в итоге выросла программа создания автоматно-гранатомётного комплекса пехотинца, более известная как OICW, — ни одна из которых так и не привела к замене M16 в войсках.
![]() |
![]() |
![]() |
![]() | |
| M14 облегчённой модели | «винтовка будущего» FRS с подствольным гранатомётом | SAM-180 с лазерным прицелом | четыре прототипа ACR | OICW |
В качестве замены M16 видится безусловно надежное оружие весом не больше, чем M16А2, ценой в полтора-два раза ниже, проще устроенное, но при этом дающее точность, приемлемую для своего тактического назначения, а также имеющее резерв для модернизации[54].
В частности, американская армия уже довольно давно проявляла интерес к таким образцам, как немецкая винтовка G36 и бельгийская FN FNC. Совсем недавно на вооружение US SOCOM была принята бельгийская винтовка FN SCAR, имеющая много общего с FNC, морская пехота же предпочла M27 / HK 416 — разработанный в Германии вариант той же M16, но с аналогичным HK G36 «нормальным» газовым двигателем, имеющим газовый поршень, — что повысило надёжность оружия, — и с расширенными возможностями модифицирования за счёт наличия многочисленных дополнительных планок рельсового интерфейса.
Тем не менее, во многих армиях мира M16 всё ещё остаётся наиболее массовым образцом, и, видимо, ещё долго будет оставаться таковым. Кроме того, благодаря специфическому оружейному законодательству США и длительной традиции гражданского владения оружием армейского образца AR15 / M16 и их варианты остаются и, видимо, ещё долго будут оставаться популярны на этом рынке.
Источники и примечания
- Report of the M16 rifle review panel. Department of the Army. DTIC. 1 June 1968.
- Ezell, Virginia Hart. Focus on Basics, Urges Small Arms Designer (неопр.) // National Defense. — National Defense Industrial Association, 2001. — November. Архивировано 7 декабря 2010 года.
- Статья «Черная винтовка» Архивная копия от 16 февраля 2015 на Wayback Machine на сайте журнала «Братишка», июнь 2001 года
- Hogg, Ian V.; Weeks, John S. Military Small Arms of the 20th Century (неопр.). — 7th. — Iola, Wisconsin: Krause Publications, 2000. — ISBN 978-0-87341-824-9., p. 291
- Customers / Weapon users. Colt Weapon Systems. Архивировано 2 сентября 2011 года.
- Johnson, Harold (narrator). Special Forces Foreign Weapons Demonstration (43:11). Fort Bragg, NC: U.S. Foreign Science & Technology Center. (1974). Проверено 16 марта 2018.
- TM 9-1005-249-10
- TM 9-1005-319-23
- спецификации M16A4 на сайте производителя
- Report of the Special Subcommittee on the M16 Rifle Program, 1967, p. 5323.
- Report of the Special Subcommittee on the M16 Rifle Program, 1967, p. 5322.
- Ezell. The Great Rifle Controversy, 1984, p. 182.
- Ezell. The Great Rifle Controversy, 1984, p. 33.
- Report of the Special Subcommittee on the M16 Rifle Program, 1967, pp. 5323—5324.
- Report of the Special Subcommittee on the M16 Rifle Program, 1967, p. 5321.
- Report of the Special Subcommittee on the M16 Rifle Program, 1967, p. 5324.
- Report of the Special Subcommittee on the M16 Rifle Program, 1967, p. 5325.
- Report of the Special Subcommittee on the M16 Rifle Program, 1967, pp. 5325—5326.
- Report of the Special Subcommittee on the M16 Rifle Program, 1967, pp. 5326—5327.
- Report of the Special Subcommittee on the M16 Rifle Program, 1967, pp. 5327—5328.
- Report of the Special Subcommittee on the M16 Rifle Program, 1967, p. 5329.
- Report of the Special Subcommittee on the M16 Rifle Program, 1967, pp. 5329—5330.
- Report of the Special Subcommittee on the M16 Rifle Program, 1967, p. 5331.
- Report of the Special Subcommittee on the M16 Rifle Program, 1967, p. 5366.
- Report of the Special Subcommittee on the M16 Rifle Program, 1967, pp. 5366—5367.
- Statement of Rep. William G. Bray, Indiana. // Hearings on Military Posture and Legislation to Authorize Appropriations during the Fiscal Year 1970, 91st Congress, 1st Session, July 24, 1969, p. 3825-3829.
- Rayle, 2006, p. 131.
- United States Army Weapon Systems 1995, p. 214, ISBN 0-16-045464-6.
- Small Arms Review, M14 VS. M16 IN VIETNAM, By Robert Bruce.
- C.H. Chivers. How Reliable is the M16 Rifle? (англ.) // The New York Times. — 2009. — 2 November. (недоступная ссылка)
- «Defense: Under Fire» Архивная копия от 1 мая 2010 на Wayback Machine. Time Magazine, 9 June 1967.
- Rottman, Gordon. The M16 (неопр.). — Osprey Publishing, 2011. — С. 79. — ISBN 9781849088916.
- Full text of "DA Pam 750-30". Archive.org (28 июня 1968). Дата обращения: 13 июля 2014.
- Office of the Deputy Chief of Staff for Research, Development, Acquisition (1 June 1968), Report of the M16 Review Panel, M16 Surveys in the Republic of Vietnam, Washington DC: Department of the Army, <http://www.dtic.mil/dtic/tr/fulltext/u2/a953117.pdf>
- Ezell, Edward Clinton (1983). Small Arms of the World. New York: Stackpole Books. pp. 46-47. ISBN 978-0-88029-601-4.
- «(ARVN)» and the Cambodian Army had been forced to abandon rougly 946,000 servicable AR-15, M16, XM16E1 and M16A1 rifles to the victorius North Vietnamese Army (NVA)." DARPA Technical Accomplishments: An Historical Review of Selected DARPA Projects, Volume I. Sidney G. Reed, Richard H. Van Atta, Seymour J. Deitchman. Institute for Defense Analyses. 1990. C.14, P.6 Архивировано 21 декабря 2016 года.
- «With the fall of South Vietnam in April 1975, over 946,000 M16 — type weapons fell into communists hands». The M16. Gordon L. Rottman. Bloomsbury Publishing. 2011. P.34
- PERSONAL FIREPWR/#15 (Illustrated History of the Vietnam War) Paperback — August 1, 1988. Ed C. Ezell
- Who Cares About Small Arms Anyway? An evaluation of research and policy. Joel Raffety. Georgia State University. 2014. P.10
- Estimated Numbers of Personal Arms Left Behind, 1975
- «April: The Republic of South Vietnam collapses. Over 946,000 M16-type rifles are lost. Many find their way into the hands of various Communist insurgent groups during the late 1970s and ’80s.» THE 5.56 X 45MM «TIMELINE» — 1975. A Chronology of Development by Daniel E. Watters
- Areas of Major Concentration in the Use and Traffic of Small Arms. Chris Smith. Small Arms Control: Old Weapons, New Issues. Geneva: Ashgate, 1999. P.83-125
- Made In The U.S.A., For Sale In Hanoi — Ex-Spy Tries To Line Up Deal Of The Century From Vietnam Cache
- The Salvador Option. Russell Crandall. Cambridge University Press. 2016. P.73
- Infantry News. // Infantry. — January-February 1975. — Vol. 65 — No. 1 — P. 8.
- TM 9-1005-319-10
- MIL-R-71135 (AR) AMENDMENT 2
- Cosgrove, Thomas. Squad Automatic Weapon. // Army Research and Development. — May-June 1979. — Vol. 20 — No. 3 — P. 4-7.
- Willis, Robert E. Calling All Drill Experts. // Infantry. — September-October 1971. — Vol. 61 — No. 5 — P. 14-16.
- Винтовка Colt M16A1 Retro Reissue
- список заказчиков на сайте производителя
- Kenneth Conboy. The War in Laos 1960–75. Men-at-Arms 217. London, Osprey Publishing, November 1989. page 15. ISBN 9780850459388.
- Александр Данилюк. Музей Народной армии Лаоса // "Техника и вооружение", № 4, 2016. стр.53-57
- Дэн Шэни, инструктор по стрельбе, бывший офицер ВДВ США, участник войны в Ираке 1991 г. По статье из журнала «Офицеры», № 5, 2005 г. и переводу (недоступная ссылка) Михаила Белова.
- По воспоминаниям ветерана Вьетнамской войны. (недоступная ссылка с 12-08-2013 [3099 дней] — история, копия)
- Описание M16 на сайте gunmaker-t.narod.ru
- Вечный противник: 50 лет винтовке M16
- Описание M16 Архивная копия от 6 марта 2010 на Wayback Machine на сайте world.guns.ru
Литература
- Operator’s Manual — инструкция по эксплуатации.
- Report of the Special Subcommittee on the M16 Rifle Program of the Committee on Armed Services, House of Representatives, 90th Congress, 1st Session. — Washington, D.C.: U.S. Government Printing Office, 1967. — 5372 p.
- Ezell, Edward Clinton. The Great Rifle Controversy: Search for the Ultimate Infantry Weapon from World War II Through Vietnam and Beyond. — Harrisburg, PA: Stackpole Books, 1984. — 344 p. — ISBN 0-8117-0709-1.
- Osborne, Art. The M16 Rifle: Bad Reputation, Good Performance. // Infantry. — September-October 1981. — Vol. 71 — No. 5 — ISSN 0019-9532.
- Rayle, Roy E. Random Shots: Episodes in the Life of a Weapons Developer. — Bennington, Vermont: Merriam Press, 2006. — 122 p. — (Military History Monograph Series ; 317) — ISBN 1-57638-039-4.
- Army To Replace M-16A1 Rifle. // Air Defense Artillery. — Spring 1983. — No. 2 — P. 55. (об отличии M16A1 от принятой на вооружение в 1983 году M16A2)
Ссылки
- Винтовки и карабины типа AR-15/M16. История, конструкция, особенности, преимущества и недостатки на сайте armoury-online.ru Владислава Каштанова
- Оружие семейства M16 разрывает гидроударом после помещения в воду с открытым затвором, HK416 выдерживает такое же испытания без повреждений. Рекламный материал фирмы Heckler & Koch.
- Yaroslav Koval. Винтовка Colt M16A1 Retro Reissue / сайт mgewehr — Заметки про оружие.
- Учебный фильм «M-16 Rifle Maintenance: "Rifle M16A1 Field Expedients" 1968 US Army TF21-3908» на YouTube










_with_Multi-Shot_Area_Fire_Grenade_Launcher.jpg.webp)


